
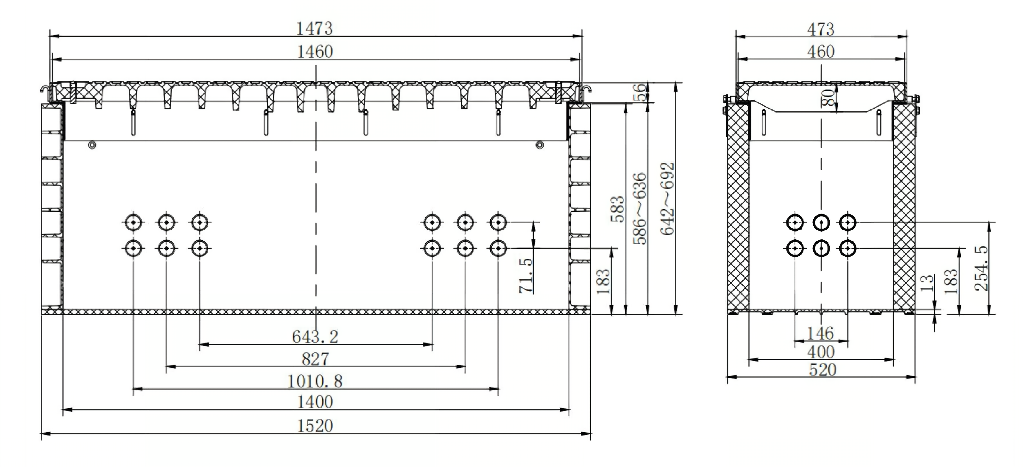
L1400*W400*D583mm(55.119"x15.749"x22.953"),EN124:2015.
Product Advantages
Excellent corrosion and weather resistance.
Good electrical insulation and flame retardancy.
Depth can be stacked according to requirements.
Lightweight design using SMC composite materials.
Complies with EN124 Standard .(B125 (12.5T)/C250 (25T))
Prefabricated structure reduces on-site construction costs.
Internal Dimensions: 1400*400*583mm(55.119"x15.749"x22.953")
Transverse and vertical cross stiffeners are arranged around the outer side of
the shaft, also be closely combined with the rammed soil layer. It is not easy to
move and loosen after rolling.
Quantity
库存: 0
Product Specifications
| Construction | Description |
| Executive Standard | EN124 |
| Material | SMC |
| Manhole Cover Load Grade | B125(12.5T) | C250(25T) |D400(40T) |
| Length | 1400.00mm | 55.119in |
| Width | 400.00mm | 15.749in |
| Depth | 583.00mm | 22.953in |
| Weight | 118kg(1 Layer) |
| Flame Retardant Grade | V0 |
| Environmental Requirements LOGO | Meet ROHS Available |
| Working Temperature | -40℃~+65℃ |
| Storage Temperature | -40℃~+70℃ |
| Service Life | 30 years |
Product Structure

Product FAQ
What is the production capacity of Telecom Manhole Chamber?
What processes are required for customizing Telecom Manhole Chamber?
Product warranty regulations for Telecom Manhole Chamber.
What industry standards do Telecom Manhole Chamber meet?
How do Telecom Manhole Chambers being packed?
What trade terms are supported for imported Telecom Manhole Chamber?

